Century 10 Series Aluminum/Steel Carriers [0500803] [10/2005]
Century 10 Series GEN II Aluminum/Steel Carriers [0540039] [01/2022]
Century 10 Series GEN II Aluminum/Steel Carriers [0540039] [02/2017]
Century 10 Series GEN II Aluminum/Steel Carriers [0540039] [02/2015]
Century 10 Series GEN II Aluminum/Steel Carriers [0540039] [05/2023]
Century 10 Series GEN II Aluminum/Steel Carriers [0540039] [05/2021]
Century 10 Series GEN II Aluminum/Steel Carriers [0540039] [11/2019]
Century Steel Carriers (Scanned) [0500350]
Century 12 Series LCG GEN II [0540025] [01/2017]
Century 12 Series LCG GEN II [0540025] [02/2022]
Century 12 Series LCG GEN II [0540025]
Century 12 Series LCG GEN II [0540025] [03/2022]
Century 12 Series LCG GEN II [0540025] [12/2019]
Century 15 Series Aluminum/Steel Carriers [0500840] [02/2002]
Century 15 Series 2 & 3 Car Carriers [0500840] [06/2005]
Century 16 Series LCG GEN II Carriers [0540027] [06/2014]
Century 16 Series LCG GEN II Carriers [0540027] [05/2018]
Century 16 Series LCG GEN II Carriers [0540027] [03/2017]
Century 16 Series LCG GEN II Carriers [0540027] [07/2021]
Century 20 Series 4 Car Carriers [0500804] [01/2016]
Century 20 Series LCG [0540018] [02/2022]
Century 20 Series LCG [0540018] [02/2012]
Century 20 Series 2, 3, 4 Car Carriers [0500804] [01/2006]
Century 20 Series 2 & 3 Car Carriers [0500804]
Century 20 Series 2, 3, 4 Car Carriers [0500804] [09/2002]
Century 30 Series LCG Industrial Super Single [0540015] [06/2010]
Century 30 Series LCG Industrial Dual Rear Wheels Std CB [0540015SCB] [08/2014]
Century 30 Series LCG Industrial Dual Rear Wheels Long CB [0540015LCB] [11/2021]
Century 30 Series [0500822] [04/2005]
Century 30 Series [0500822]
Century 40 Series LCG Industrial Dual Rear Wheels Std CB [0540015] [10/2014]
Century 1040B / SDU3 [19115014] [06/2005]
Century 1040B / SDU [0500960] [10/1997]
Century 1040 (scanned) [0500135] [12/1981]
Century 1040S / SDU [0500911] [08/2000]
Century 1060 / SDU2 [0501015] [12/1998]
Century 1060S / SDU3 [0501775] [03/2006]
Century 1060S / SDU2 [0501058] [01/2000]
Century 1075S / SDU4 [0501664] [11/2007]
Century 1075S / SDU4 [0501664] [07/2011]
Century 1130 & 1140 / SDU4 & LDU [0501712] [11/2009]
Century 1150 Knee Boom & UnderLift [05000261] [05/2017]
Century 1150 Roller w/SDU/4 Underlift [05000783] [07/2017]
Century 1150 Roller w/HHU UnderLift [05000923} [07/2017]
Century 1150 Standard with SDU/4 UnderLift [05004046] [12/2021]
Century 1624 [0501175] [04/2002]
Century 3212 [0501428] [04/2004]
Century 3224 (scanned) [0500603]
Century 3224T [0500798] [06/1996]
Century 4024T / T2 [0500797] [01/1999]
Century 4024 / T2 [05005306] [11/2023]
Century 5025T [0501084] [04/2000]
Century 5030T / T3 [0500786] [01/1999]
Century 5130/5230 [0501140] [08/2001]
Century 5130/5230 [0501779] [10/2011]
Century 5230 KB55 Kneeboom [05001924] [4/2020]
Century 7035 [0501060] [06/2000]
Century 7035 2-Speed [0501767] [03/2011]
Century 9055 [0500620] [04/1998]
Century 9055 3-Stage Boom 2-Speed [0501772] [03/2011]
Century 9055 [0501763] [09/2010]
Century 9055 XL (LowRider Underlift) [05000963] [11/2017]
Century 9055Xl w/SP850XP [05003703] [04/2021]
Century HD Options
Century Heavy Duty Underlift HDU (scanned) [0500363]
Century SDU (Super Duty Underlift) (scanned) [0500321-F87]
Century SP850 [050115] [10/2000]
Century SP850XP [0501673] [11/2008]
Century 211/212 (scanned) [0500659]
Century 211 Modular [0501698] [02/2010]
Century 211/212 [0500659] [11/1997]
Century Modular Express 300 Series [0501540] [05/2006]
Century Midnight Express Modular [0501690] [03/2010]
Century Express 300 Series [0500982] [03/1998]
Century Midnight Express [0501076] [07/2000]
Century 312 Power Tilt GEN2 [05001423] [08/2018]
Century Modular 400/600 [0501642] [01/2009]
Century Formula I 411/412 Duplex Tilt (scanned) [0500471]
Century Formula I 411/412 [0500744] [12/1999]
Century 614 Formula IIT [0500994] [04/2002]
Century 614 Formula IIT Aluminum Body [0501634] [07/2007]
Century 820 Wrecker / FIIIT [0500724] [02/1997]
Century 820 Express (scanned) [0500134]
Century 820 Series (scanned) [0500110] [06/1980]
Century 2465 [0501709] [09/2009]
Century EB4 Express [0501029] [03/1999]
Century EB4 6500 [0501014] [12/2023]
Century EB4 Express [0501029] [12/2023]
Century EB4 6500 [0501014] [12/1998]
Century Formula I Duplex Tilt Super Six 500 Series (scanned) [0500287-F87]
Century Formula 6000, 600 Series (scanned) [0500482]
Century Formula 6500, 600 Series [Rev A] [0500755] [01/2001]
Century Formula II (scanned) [0500322-F87]
Century Metro I (scanned) [0500204-F84]
Century Metro I, Duplex Tilt Wheel Lift System [0500204-N89]
Chevron 408, 408A, 410, 410A, 512 Series
Chevron Renegade Model 408 V&T [0540068]
Holmes 440 GEN2 [0501845] [05/2015]
Holmes 440SL [0501702] [05/2009]
Holmes 440 Series DFT 400 [0500730] [10/1994]
Holmes 600R w/Kneeboom Underlift [05003743] [03/2022]
Holmes 600R [0501688] [01/2010]
Holmes DTU GEN2 [0501840] [04/2015]
Holmes DTU [0501716] [10/2009]
Holmes 220 Snatcher [0501700] [04/2010]
Vulcan 10 Series Aluminum/Steel [9121921] [12/2005]
Vulcan 10 Series GEN II Aluminum/Steel Carrier [0540040] [02/2017]
Vulcan 10 Series GEN II Aluminum/Steel Carrier [0540040] [02/2015]
Vulcan 10 Series GEN II Aluminum/Steel Carrier [0540040] [02/2022]
Vulcan 10 Series GEN II Aluminum/Steel Carrier [0540040] [05/2021]
Vulcan 12 Series LCG Gen II Carrier [0540026] [02/2017]
Vulcan 12 Series LCG Gen II Carrier [0540026] [12/2019]
Vulcan 12 Series LCG Gen II Carrier [0540026] [06/2009]
Vulcan 15 Series 2 & 3 Car Carrier [0500840] [06/2005]
Vulcan 16 Series LCG GEN II Carrier [0540028] [09/2014]
Vulcan 19' & 21' Aluminum/Steel Carrier [9121921] [01/2003]
Vulcan Extreme Angle [0500837] [09/2001]
Vulcan Extreme Angle [0500837] [08/2005]
Vulcan V-30 [0501429] [05/2004]
Vulcan V-60/V-70 [0501129] [05/2001]
Vulcan V-70 [05000161] [11/2011]
Vulcan V-70 [0501116] [01/2001]
Vulcan V-90/V-100 [0501128] [09/2002]
Vulcan V-100 [0501766] [08/2013]
Vulcan V-100 [0501766] [11/2010]
Vulcan 20.20 Series [915990000]
Vulcan HD Options
Vulcan NV-50 [0501134] [05/2001]
Vulcan NV-50 [0501780] [10/2011]
Vulcan 804 Modular [0501740] [02/2010]
Vulcan 805 [0501191] [05/2002]
Vulcan 806 [0501037] [09/2000]
Vulcan 806 Modular [0501741] [02/2010]
Vulcan 807 Dual Winch Parts Manual [05001964] [10/2019]
Vulcan 807 Auto-Grip [0501109] [09/1999]
Vulcan 807 Modular [0501648] [10/2007]
Vulcan 810 Intruder [05001073] [06/2000]
Vulcan 810 Power Tilt [0501704] [09/2009]
Vulcan 812 Gen1 Parts Manual
Vulcan 812 Intruder 2 / Century 300 Express Gen 2 [05002363] [11/2019]
Vulcan 831 & 833 "Add-On" Assembly [1988]
Vulcan 880/890 [9120300] [06/1999]
Vulcan 880/890 Modular [0501640] [03/2008]
Vulcan 896/897 [9120305] [10/2000]
Vulcan V-24 [0501735] [09/2009]
Century 3212 Gen 2 [05002724] [02/2020]
Century 12 Series LCG GEN II Carriers [0540025] [02/2025]
Century 1075 Kneeboom Rotator [05003663] [05/2025]
Century 1075S HHU 5-Winch Street Lowrider [05005269] [05/2025]
Century 1075S HHU 6-Winch Coach Lowrider [05005270] [05/2025]
Century 1140 Knee Boom Street Low Rider [05005446] [05/2025]
Landoll 440 Air Ride Suspension, 1/4 in, 440B BEFORE 06/14/2023
Hydraulic Swivel Assembly
Gen2 w/ Rear Outrigger Kit
Control Kit Left (Knob, Decal, Plate) (0907757)
Century 1150 Knee Boom & UnderLift [05000261] [05/2017]
Drag Winch Pneumatics
Wrecker Frame Assembly (No Side Drag Winch Option)
Wrecker Frame Assembly (Dual Drag Winch Option)
Air Plate Assembly
Pneumatic Components
Recovery Winch Hydraulics
Recovery Winch Pneumatics
Side Drag Winch Hydraulics
Side Drag Winch Pneumatics
Rotator Pinlock Assembly
Rotator Pinlock Pneumatics
3 - Stage Boom Assembly - Inner Stage
3-Stage Extension System Assembly
3 - Stage Boom Assembly - Middle Stage
3 - Stage Boom Assembly - Outer Stage (No Side Winch)
3 - Stage Boom Assembly
Swing Drive Hydraulics
Recovery Boom Hydraulics
Coach Lowrider Knee Boom Underlift Assembly
Underlift Horizontal Boom Assembly
Coach Lowrider Knee Boom Underlift Hydraulics
Knee Boom Underlift Assembly - Short
Underlift Horizontal Boom Assembly - Short
Knee Boom Underlift Hydraulics - Short
Boom Swivel Assembly
4-Stage Rear Outrigger Assembly
4-Stage Rear Outrigger Hydraulics
2-Stage/3-Stage Front Outrigger Assembly
2-Stage Front Outrigger Horizontal Assembly
2-Stage Front Outrigger Hydraulics
3-Stage Front Outrigger Horizontal Assembly
3-Stage Front Outrigger Horizontal Assembly (Big Feet)
3-Stage Front Outrigger Hydraulics
Outriggers Control Valve Assembly
Proportional Controls Valve Assembly
Front & Rear Outriggers Valve Assembly
Pump, Valve, & Tank Hydraulics
LH Controls Assembly - Walvoil
RH Controls Assembly-5 Winch (Walvoil)
RH Controls Hydraulics-5 Winch (Walvoil)
Hydraulic Swivel Assembly (U & M Ports) Fittings
Hydraulic Swivel Assembly (B Ports) Fittings
Chevron Renegade Model 408 V&T [0540068]
4 Series Aluminum Tunnel Box Group (24 x 92)
4 Series Aluminum Tunnel Box Door
4 Series Steel Tunnel Box Group (24 x 86)
4 Series Steel Tunnel Box Group (36 x 86)
4 Series Integrated Boom Assembly Single Line
4 Series Integrated Boom Assembly Twin Line
4 Series Wheel Lift Components (Standard)
4 Series Wheel Lift Components (Autogrip)
Pivot L-Arm Receiver Group (Optional)
Pivot Wheel Grids and L-Arms (Optional)
4 Series Boom End Swivel
4 Series Auto Grip Attachments
Single Winch Hydraulics
Twin Winch Hydraulics
Boom Up-Down Hydraulics
Power Tilt Hydraulics
Underlift In-Out Hydraulics
Century 10 Series GEN II Aluminum/Steel Carriers [0540039] [05/2023]
Tail Light Components
Wheel-Lift Crossbar Attachments
Removable Tube Rail Sides
Aluminum Bed Assembly
Removable Blade Rails
Steel Bed Assembly Gen 2
Steel Bed Assembly Gen 2 Right Approach
Right Approach Removable Blade Rail Sides
Steel Bed Assembly Gen 2 SST
SST Removable Blade Rail Sides
IGUS Track and Bolt Kit-09020735
IGUS Track and Bolt Kit - 09020734
19-19.5ft Subframe Components Inboard Tilt Cylinders (2023)
21-22ft Subframe Components Inboard Tilt Cylinders (2023)
19-19.5ft Subframe Components Outboard Tilt Cylinders
21-22ft Subframe Components Outboard Tilt Cylinders (2023)
Dock Stabilizer
3,000 LB Wheel Lift Gen 2
Pivot L-Arm Receiver Group
3,000 LB Underlifts Gen 2
Autogrip Wheel Lift
Autogrip Dock Stabilizer Wheel Lift
Autogrip II Components
Inboard Tilt Cylinders-Inboard Saddle
Outboard Tilt Cylinders-Outboard Saddle
Inboard Tilt Cylinders-Outboard Saddle
12 Gal. Inboard Oil Reservoir Group-763100G
14 Gal. Outboard Oil Tank Group-762110G
12 Gal. Inboard Oil Reservoir Group-0940440
12 Gal. Oil Reservoir Group - 09003530
13 Gal. Oil Reservoir Group - 0901275
12 Gal. Oil Reservoir Group - 09018450
Direct Mount Pump - 18 GPM
6-Spool Control Station
9-Spool Control Station
Remote Air Cylinders 6-Spool
Remote Air Cylinder 9-Spool
2 Air Valve Control Station
Body Lock Assembly-0940348
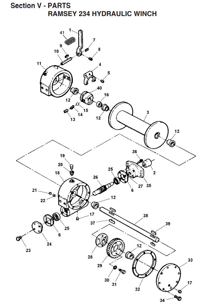
Ramsey 234 Hydraulic Winch
Ramsey HD234 Manual-Shift Winch Single Clutch Control
Ramsey HD234 Manual-Shift Winch Group With Dual Clutch Control
Ramsey HD234 Air-Shift Winch Group
Ramsey Winch - 0940421-0810AM Sierra Manual
Ramsey Winch-0940421-0810AM Sierra Manual Dual Handle
Ramsey Winch-0940421-0810AA Sierra Air
Ramsey 09023899-0810AM Omega Manual
Ramsey Winch-09023899-0810AM Omega Manual Dual Handle
Ramsey Winch-09023899-0810AA Omega Air Shift
DP Winch - DP Planetary Manual Shift
DP Winch - DP Planetary Air Shift
8K Comeup Winch - 0940283-0810AM
8K Comeup Winch - 0940283-0810AA
Warn Winch - Manual Free Spool
Warn Winch - Air Free Spool
LCG Retractable Ladder
Mudflap Components
Manual Slidewinder - 315200
Manual Slidewinder - 315204
Bed Mounted Cab Protector
Frame Mounted Pylon - 0940456-096 Conventional Base
Frame Mounted Pylon - 0940456-102
33" Aluminum Series 10 Toolbox - 377000
49" Aluminum Series 10 Toolbox - 378000
65" Aluminum Toolbox - 379000
36" Steel Toolbox
48" Steel Toolbox
60" Steel Toolbox - 174016023
Pintle Attachment Group
Century 12 Series LCG GEN II [0540025] [12/2024]
4000 lb Wheel Lift Gen 2 LCG
Steel Bed Assembly Gen 2 Removable Tube Rail
Aluminum Bed Assembly
Removable Tube Rail Sides
12 Series LCG Subframe Components
Igus Track and Bolt Kit 120" Slideback Cylinder Stroke 09020735
12 Series LCG Tail Light Components
Wheel-Lift Crossbar Attachments
4000 lb Underlift Gen 2 LCG
Underlift Cylinder Fluid Tube Group
Pivot L-Arm Receiver Group
Autogrip Wheel Lift
Autogrip Dock Stabilizer Wheel Lift
Dock Stabilizer
Autogrip II Components
Inboard Tilt Cylinders
12 LCG Inboard Tilt Cylinders Outboard Saddles (Optional)
12 Gal. Inboard Oil Reservoir Group-763100G
14 Gal. Outboard Oil Tank Group
Direct Mount Pump - 18 GPM
2 Air Valve Control Station
6-Spool Control Station
9-Spool Control Station
Remote Air Cylinders 6-Spool
Ramsey HD234 Manual-Shift Winch Group With Dual Clutch Control
Ramsey HD234 Air-Shift Winch Group
Body Lock Assembly - 364220K
Removable Blade Rail Sides
12S Ramsey 234 Hydraulic Winch
Century 3212 Gen 2 [05002724] [02/2020]
Long Tower Subframe Assembly
Valve Assembly, Walvoil
Long Tower Boom Assembly
Winch Cable Stow Kit
Inner Boom Assembly
Sheave Assembly
Gen2 Underlift Boom Assembly
Gen2 Crossbar Assembly
Crossbar Extension Assembly
LH Pivot Crosstube
RH Pivot Crosstube
Manifold Package 16 Valve 12V DC
Rear Outrigger Kit
LH Rear Outrigger Assembly
RH Rear Outrigger Assembly
LH Control
RH Control
Long Tower Center Section
Air Regulator-Gauge Assembly
Century 4024/T2 [05006247] [02/2025]
BUA Toolbox & Aluminum Heel Plate
Toolbox Mounting Fasteners
Emergency/Service Air Fittings & 7-Way
Mudflap Kit & D-Rings
Safety Chain Roller & Ramp Pads
Control Assembly, Left
Control Kit, Left
BUA 14-Function Remote Air Assembly
Air Bank 16-Function Assembly & Air Regulator
Water Separator & Back-Up Alarm
Control Assembly, Right
Control Kit, Right
Hydraulic Tank Pump Kit
Hydraulic Pump Fittings & Clamps
Hydraulic Pump/Tank/Valves/Pressure Gauge Lines
Jack Leg Functions Control Cables, Left & Right
Recovery Boom Extend Functions Control Cables
Recovery Boom Lift Functions Control Cables
Recovery Winches Functions Control Cables
Underlift (Fold, Tilt, Ext) Functions Control Cables
Toolbox, BUA 156CA 2010 (0910835)
Control Kit Right (Knob, Decal, Plate) (0907708)
Control Handle Assembly - Short (0907441)
Control Assembly (9 Handle) (0907893)
Control Assembly (6 Handle) (0907894)
Air Bank 16FXN Assembly, Integrated 12V (09024680)
Air Regulator - Gauge Assembly (0911804)
Kit, Mudlap Large Century Wrecker (0908382)
Kit, D-Ring Parts (0911957)
Boom Assembly (2025)
Underlift & Stinger
Rear Spade Assembly & Access Covers
Recovery Winch (Rear) Hydraulic Lines
Recovery Winch (Front) Hydraulic Lines
Recovery Boom Lift Cylinders Hydraulic Lines
Recovery Boom Extend Cylinders Hydraulic Lines
Underlift Tilt Cylinder Hydraulic Lines
Underlift Fold Cylinder Hydraulic Lines
Underlift Extend Cylinder Hydraulic Lines
Rear Spade Lift Cylinders Hydraulic Lines
Outer U/L Weldment, Ext. Cylinder, Stop Plates, & Slide Pads
2nd Stage U/L Weldt, Stop Plates, Slide Pads
Extend Cylinder Rear Pin Weldment & Retaining Ring
Boom - Inner Underlift Assembly (0903751)
Crossbar Assembly (0904095)
Hook Retainer Assembly W/O Lowrider (0911762)
Rear Spade Assembly (0906399)
Lift Cylinders
Pan-Valve Assembly With Cover
Tank Kit & Boom Pivot Bracket
Rear Handrail Kit
Cover Kit (0903696)
4 & 5 Spool Valve Assemblies
Tilt Function Holding Valve
Valve Assembly - 4 Spool Parker (0906494)
Valve Assembly - 5 Spool Parker (0906495)
Tank Kit (0902353)
Tilt Cylinder Kit
Recovery Winches (20K) & Mounting Angles
Outer Boom Weldt, Ext. Cyl, Base Pin, & Wear Pads
Boom Extend Cylinder
Boom Swivel Assembly (0906530)
Century 5130/5230 [0501779] [10/2011]
Boom Swivel Assembly
Rear Spade Hydraulics
Subframe Assembly
5130 Body Assembly
5230 Body Assembly
Recovery Boom Assembly
Underlift & Tower Assembly
Underlift Hydraulics
Recovery Boom Hydraulics
Winch Hydraulics & Air Free Spool
Pump Valve & Filter Hydraulics
Left & Right Control Assembly
Left Control Assembly
Right Control Assembly (Optional)
Century Express 300 Series GEN 2 Parts Manual [05002363] [11/2019]
Wrecker Assembly
Basic Unit Assembly
Main Boom Assembly
Boom Swivel Assembly
Wheel Lift Assembly
Inner Stinger Assembly
Crossbar Assembly
Hydraulic Tank Assembly
Hydraulic Valve Assembly
Tank & Valve Hydraulics
Main Boom Hydraulics
Wheel Lift Hydraulics
Body Assembly - Carbon Steel Modular
Century Series 20 LCG GEN II Parts (0540018) (08/2025)
Steel Bed Assembly
DP 20K Planetary Winch
Warn 20XL Planetary Winch
Subframe Components
IGUS Track & Bolt Kit 120" Stroke
IGUS Track & Bolt Kit 120" Stroke
4,000 lb. Wheel Lift
Dock Stabilizer Dual Rear Wheels
Wheel Lift Crossbar Attachments
20 LCG 6,000 lb. Wheel Lift
6K/10K Carrier Underlift Attachments
6000 lb Telescoping Pintle Underlift
Tail Light Components
6K Underlift Cylinder Fluid Tube Group
20 LCG 24" Outboard Saddle & Hinge Angle
20 LCG 28" Outboard Saddle & Hinge Angle
6 Spool Control Station
9 Spool Control Station
Remote Air Cylinders 9-Spool
24 Gallon Oil Reservoir Group
Direct Mount Pump - 24 GPM
Landoll 440B-455B PM F-1003-2412
Decals 2
Upper Deck 1
Upper Deck 2
Upper Deck 3
Hitch Plate Assembly
Hydraulic & Air 1
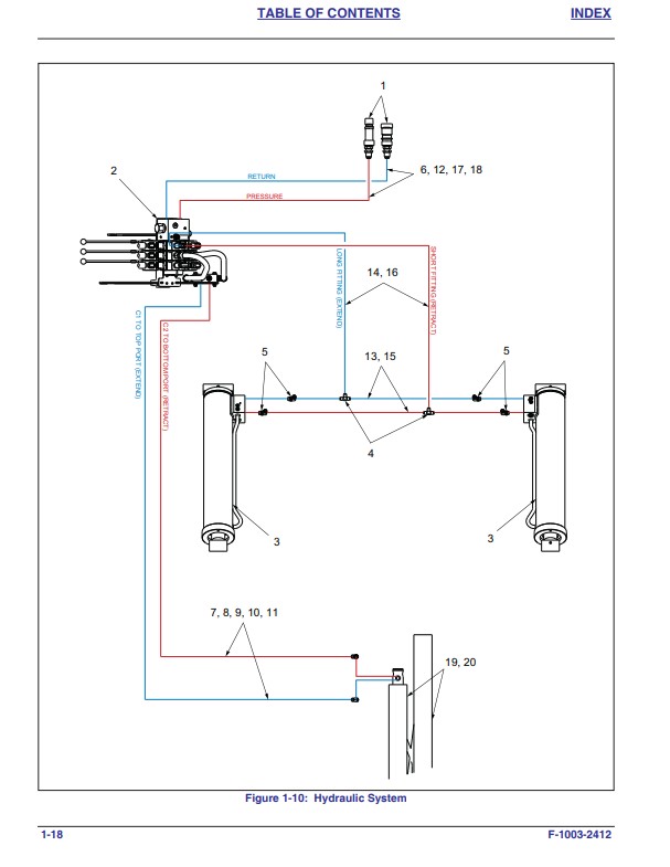
Hydraulic System
Booster Valve
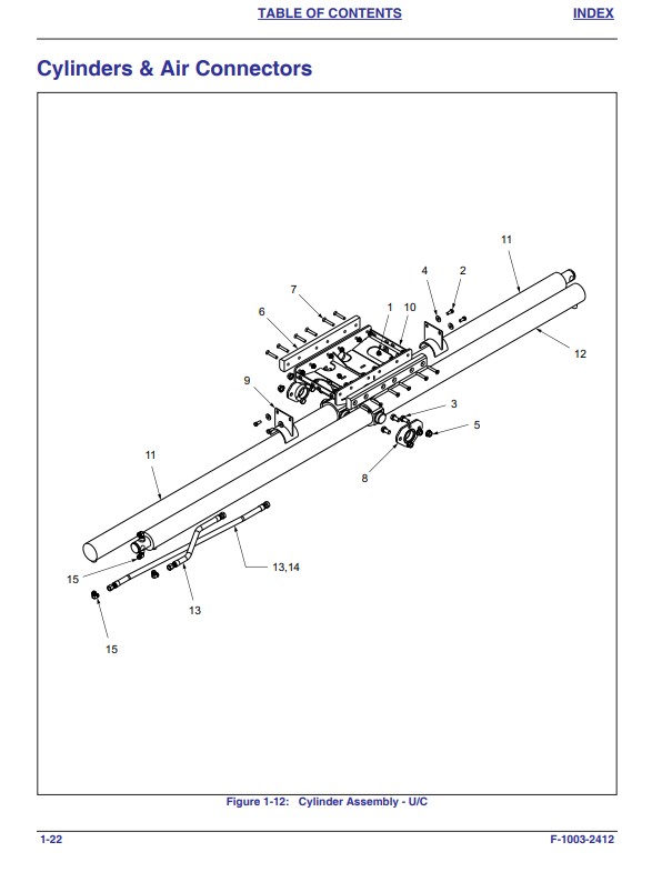
Cylinder Assembly U/C
Cylinder Assembly Hi Flow
Cylinder Assembly Ported Rod Hi Flow
Cylinder 6 x 30
Connectors Sub Assembly
Valve Assembly Air Booster
Valve Assembly 3 Spool Solenoid
Valve Components 3 Spool Solenoid
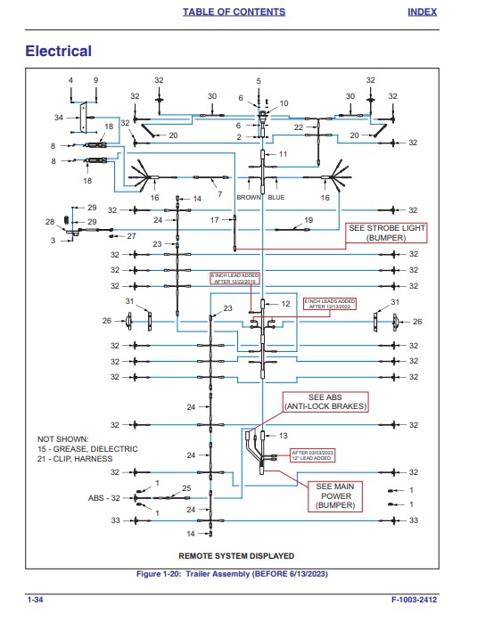
Trailer Assembly Before 6/13/23
Trailer Assembly After 6/13/23
Bumper Assembly
Bumper Assembly Strobe Light
Anti-Lock Brakes
Anti-Lock Brakes - Aqua
Wireless Remote Assembly Kit Kar-Tech BEFORE 8/01/19
Wireless Remote Assembly, Brand (AFTER 08/01/2019)
Wireless Remote Assembly, Kit, Brand (AFTER 08/01/2019
General Items - 440B
General Items - 455B
Grease System, 2 Axle Drum BEFORE 11/07/18
Grease System 2 Axle Drum 11/07/2018 - 08/31/2020
Grease System, 2 Axle Cam Followers AFTER 08/31/20
Grease System, 2 Axle Drum (AFTER 08/31/2020)
Grease System 3 Axle Drum BEFORE 11/07/2018
Grease System 3 Axle Drum & Cam Followers 11/18-8/20
Grease System 3 Axle Drum & Cam Followers AFTER 8/20
Air Ride Suspension, 3/8 in, 440B AFTER 06/14/2023
Air Ride Suspension, 440B Aqua
Air Ride Suspension, 455B (BEFORE 03/10/2023)
Air Ride Suspension, 455B (AFTER 03/10/2023)
Air Ride Suspension, 455B Aqua (BEFORE 03/10/2023)
Air Ride Suspension, 455B Aqua AFTER 03/10/2023
Suspension Air Dump, 440B, 3/8 in BEFORE 06/14/2023
Suspension Air Dump, 440B, 3/8 in AFTER 06/14/2023
Suspension Air Dump, 455B, Double Pilot
Air Control Kit, 1/4 in, Neway (440B ONLY)
Axle Suspension, RLU-228, 12.25 & 16.5
Axle Suspension, LSS-25K-3.5RLU, 12.25
Axle Suspension, LSS-25K-5.5 RLU, 16.5
Shock Strap, Limit, RLU 228-3.5
Shock Strap, Limit, RLU 228-5.5
Shock Strap, Limit, LSS-25K-3.5
Shock Strap, Limit, LSS-25K-5.5
Wheels
Axle 12.25 Disc Brakes & Hub Assembly
Axle 12.25 x 7.5 Drum Brakes
Axle 12.25 x 7.5 Drum & Hub Assembly
Axle 16.5 Disc Brakes & Hub Assembly
Axle 16.5 x 7 Drum Brakes
Axle 16.5 x 7 Drum & Hub Assembly
Air Brake System, 440B Disc Brakes
Air Brake System, 440B Drum Brakes
Air Brake System, 440B Aqua
Air Brake System, 455B (BEFORE 03/10/2023)
Air Brake System (AFTER 3/10/2023)
Air Brake System, 455B (AFTER 06/12/2023)
Air Brake System, 455B Aqua BEFORE 03/10/2023
Air Brake System, 455B Aqua AFTER 03/10/2023
Thermalert, 2 Axle Air System
Thermalert, 3 Axle Air System
Thermalert Electrical System & Components
Tire Inflation System - Harness Kit
Winch Installation Braden 12K 1 Speed Spring Tension
Landoll 440 Winch Installation, Braden 20K 1 Speed
Landoll 440 Winch Installation, Braden 20K, 1 Speed, Air
Bulkhead Components - 24, 25 & 26 x 102
Bulkhead Components - 48 x 102
Bulkhead Components - Propane Holders
Bulkhead, Lightbar, Chain Rack
Bulkhead, Lights, Strobe, 360 Degree, Amber
Chain Tray, Beam, Bolt-On (Before 01/17/2022)
Chain Tray, Beam, Bolt-On (After 01/17/2022)
Chain Tray, Bulkhead, Bolt-On
Chain Tray, Bulkhead / Upper Deck, Bolt-On
Spare Tire Mount, Front Pocket
Spare Tire Mount, Upper Deck
Step, Folding
Step Handle, Folding
Toolbox - Bolt-On, 42" x 28" x 9", Upper Deck
Lock Pins & Flag Holders - Pull Out, Bridge
Lock Pins & Stop Blocks - Swing Out, Front & Rear Pull-Out
Pull-Out - Bridge, 2 Axle, 45 Foot
Pull-Out - Bridge, 2 Axle, 48 Foot
Pull-Out - Bridge, 2 Axle, 50 Foot CA
Pull-Out - Bridge, 2 Axle, 53 Foot
Pull-Out - Bridge, 3 Axle, 48 Foot
Pull-Out - Bridge, 3 Axle, 50 Foot
Pull-Out - Bridge, 3 Axle, 50 Foot CA
Pull-Out - Bridge, 3 Axle, 53 Foot
Storage Rack, Pull-Out Bridge
Swing-Out, F&R Pull-Out (2 Axle) 41, 45, 48, 53 Foot
Swing-Out, F & R Pull-Out (2 Axle) 50 Foot CA
Swing-Out, F&R Pull-Out (3 Axle) 48 Foot
Swing-Out, F&R Pull-Out (3 Axle) 50 Foot
Swing-Out, F&R Pull-Out (3 Axle) 53 Foot
Engine, 25HP, Upper Deck Assembly
Mount, Engine, Front Extension, Bolt-On
Mount, Engine, Front Extension, Pin-On
Mount, Engine, Front Stand, Bolt-On
Wet Kit, Truck Hydraulic (Before 03/01/2019)
Wet Kit, Truck Hydraulic (After 03/01/2019)
Winch Install - Braden 12K, 1-Speed, Spring Tension
Winch Install - Braden 20K, 1-Speed, Spring Tension
Winch Install - Braden 20K, 1-Speed, Air Tension
Winch Install - Braden 20K/30K, 2-Speed
Winch Install - Ramsey 20K/30K, 2-Speed
Winch Install - Warn 20K/30K, 2-Speed
Winch Assembly - Braden 12K/20K, 1-Speed
Winch Assembly - Warn 20K/30K, 2-Speed
Winch Components - Braden 12K, 1-Speed
Winch Components - Braden 20K, 1-Speed
Winch Components - Braden 12K/20K, 1-Speed, Motor
Winch Components - Braden 20K, 2-Speed
Winch Components - Braden 30K, 2-Speed
Winch Components - Ramsey 20K, 2-Speed
Winch Components - Ramsey 30K, 2-Speed
Winch Components - Warn 20K, 2-Speed
Vulcan 812 Intruder 2 [05002363] [11/2019]
Wrecker Assembly
Basic Unit Assembly
Main Boom Assembly
Boom Swivel Assembly
Wheel Lift Assembly
Inner Stinger Assembly
Crossbar Assembly
Hydraulic Tank Assembly
Hydraulic Valve Assembly
Tank & Valve Hydraulics
Main Boom Hydraulics
Wheel Lift Hydraulics
Body Assembly - Carbon Steel Modular
Vulcan V-100 [Rev A] [0501766] [08/2013]
RH Body Assembly
Outer Boom Assembly - 2 Stage
Inner Boom Assembly - 2 Stage
Outer Boom Assembly - 3 Stage
Inner Boom Assembly - 3 Stage
3-Stage Boom Extend System
Standard Stinger Assembly
Crossbar Assembly
Winch Assembly
Boom Lift Hydraulics
2-Stage Boom Extend Hydraulics
3-Stage Boom Extend Hydraulics
Underlift Extend Hydraulics
Underlift Tilt Hydraulics
Subframe Hydraulics
Hydraulic Tank Assembly
Standard Jackleg Assembly
Jackleg Assembly w/ Flipper Feet
Rear Outrigger Option
Jackleg Hydraulics
Outrigger Hydraulics
Dual Control Assembly
Lift Adapters
5X5 Bus Lift Assembly
Euro Bus Lift Assembly
Pintle Hook Adapter
5th Wheel Adapter
King Pin Adapter
Air System
Century
-
Century 10 Series Gen II
-
Century 12 Series LCG
-
Century 16 Series LCG
-
Century 411 412 602 612
-
Century 1060 1075
-
Century 1075S
-
Century 1135 and 1140
-
Century 1150
-
Century 2465
-
Century 3212
-
Century 4024 5130 5230 7035 9055 SP 850XP
-
Century 4-Car Carrier
-
Century Express Series Gen II
-
Century Express Series
-
Century M100
-
Century Right Approach
Landoll
-
Landoll 317 / 318 Traveling Axle
-
Landoll 330 Container Trailer
-
Landoll 343 Container Trailer
-
Landoll 440 and 455 NGL Traveling Axle Trailer
-
Landoll 835 and 840 AG Detachable Gooseneck
-
Landoll 850XT Extendable Detach
-
Landoll 930 and 950 Traveling Tail Trailer
-
Landoll Galvanizing
-
Landoll Model 345 Pintle Hitch Trailer
Purpose Wrecker Sales is looking for a motivated individual to join our team of detailers. Workload mainly involves high end detail of very expensive NEW wreckers and used trade-ins. Specific duties include buffing paint, polishing aluminum, removing lettering, de-greasing engines, transmissions, frames, and hydraulics, and some minor paint work. Professionalism and quality of work when detailing these units is a must. Purpose Wrecker Sales is looking for a motivated individual to join our Parts department team. The Parts Associate will be responsible for assisting all customers and mechanics in securing needed parts and supplies. Will also be accountable for achieving the monthly sales and gross profit forecasts, and for seeking and soliciting parts sales. May be required to drive a company vehicle within assigned areas to pick up or transport parts as assigned. Purpose Wrecker Sales is looking for motivated individuals to join our team of technicians. Workload mainly involves inspecting, diagnosing, and repairing our own inventory of used trucks and trailers and installing NEW Tow Truck bodies onto NEW Trucks. Repairs are involved with preventative maintenance inspections and major truck components.Automotive Detailer 1
Parts Department Associate
Diesel Mechanic/Installation Technician
On February 1, 2025, several brave Purpose Wrecker associates jumped into the cold waters of Lake St. Louis in Wentzville, Missouri. Purpose Wrecker has been a sponsor and participant since 2019! Looking for a local, “here in our backyard,” charity, Andy Malpocker said, “Missouri is our state, and Lake St. Louis and Wentzville are our community.” Purpose Wrecker chose the Polar Plunge, a national outreach sponsored by law enforcement, to benefit their local chapter of Special Olympics. Every winter brave souls nationwide run into freezing waters to support these programs that provide life-changing opportunities for individuals with intellectual disabilities by offering athletic, wellness, and life skills programs. Purpose Wrecker associates took the plunge into the freezing waters of Lake St. Louis on February 3, 2024 in Wentzville, Missouri. This was the sixth year that Purpose Wrecker has supported Missouri’s annual Polar Plunge. The team fully embraced this year's theme of "Aloha Polar Plunge." Through their participation, Andy and his team raised money for Special Olympics Missouri. Purpose Wrecker chose the Polar Plunge, a national outreach sponsored by law enforcement, to benefit their local chapter of Special Olympics. Every winter brave souls nationwide run into freezing waters to support these programs that provide life-changing opportunities for individuals with intellectual disabilities by offering athletic, wellness, and life skills programs. Purpose Wrecker’s community outreach ideas sometimes come from its own employees. One member of the team, a part-time pastor, and two other employees introduced Andy Malpocker to the service activities of the Missouri Baptist Disaster Relief organization. Largely powered by volunteers, this group meets the needs of those experiencing the aftermath of natural and manmade disasters. Purpose Wrecker began by making a financial donation to the organization. When they learned Missouri Baptist Disaster Relief also routed food trailers to feed the homeless, Purpose Wrecker loaned the organization power vehicles to pull the trailers, donating drivers and fuel to the effort. In addition, Purpose Wrecker made a portion of its lot available to house critical equipment used by Missouri Baptist Disaster Relief in its support efforts.2025 Polar Plunge Special Olympics Missouri

2024 Polar Plunge Special Olympics Missouri

Missouri Baptist Disaster Relief

Come see us at The American Towman Exposition being held November 19-21, 2026 at the Baltimore Convention Center. Purpose Wrecker will have new wreckers at the show for sale! Looking for a specific wrecker? Come see us as we have the nation's largest inventory of new and used wreckers, carriers, and trailers. Mark your calendar as the 2027 Florida Tow Show is being held April 1-3, 2027 at the Hilton Orlando Buena Vista Palace.American Towman
November 19-21, 2026
Baltimore, MD
Florida Tow Show
April 1-3, 2027
Orlando, FL